Open Access
ARTICLE
An Improvement in Power Quality and By-Product of the Run-Off River Micro Hydro Power Plant
1 Department of Energy Conversion, Bandung State of Polytechnic, Bandung, 40559, Indonesia
2 School of Electrical Engineering, Telkom University, Bandung, 40257, Indonesia
* Corresponding Author: Jangkung Raharjo. Email:
Energy Engineering 2023, 120(6), 1295-1305. https://doi.org/10.32604/ee.2023.027756
Received 14 November 2022; Accepted 16 January 2023; Issue published 03 April 2023
Abstract
Utilization of Micro Hydro Power Plant at the Gunung Halu case study type run-off the river is a household use only in the afternoon, around 5 pm until bedtime at about 10 pm. Therefore, more than 75% of the energy is lost. This case study lost power which can be used as a by-product, such as for drying coffee beans. In this case study, a design was carried out to obtain by-products and improve power quality in the electrical system. In addition, they complain about the poor quality of power controlled by frequency using Triac-Based Electronic Dummy Load Control. The heat from the dummy load in the case study is used as a by-product. MHP with a minimum power of 20 kW, and the usage time of customer service is about 6 h. The energy for the by-products is about 360 kWh/day, and the power quality improved by using Triac-Based Electronic Load Control and Hysteresis Current Control for the active filter. As a result, the power factor is close to one, the generator current harmonics is less than 2%, and the voltage harmonics is less than 5%.Graphic Abstract
Keywords
Nomenclature
| ELC | Electronic Dummy Load Controller |
| HBCC | Hysteresis Band Current Control |
| MHP | Micro Hydro Power Plant |
| MPPT | Maximum Power Point Tracking |
| PWM | The Pulse Width Modulation |
| TDDi | Total Demand Distortions Current |
| THDv | Total Harmonics Distortion Voltage |
| ULC | The Universal Load Controller |
| The Consumer Current | |
| The Dummy Current | |
| The Total Current |
The stability and power quality problem in microgrid electrical systems is still an interesting discussion [1]. Control techniques to stabilize the system at standard are applied using various strategies. This article discusses the power quality and optimal energy design using a load balance approach in an off-grid micro hydro power plant (MHP). One method of stability system for the microgrid is the load balance technique [2]. Power quality arises because of nonlinear loads and frequency control techniques by load balance strategy using Electronic Load Controller (ELC) on MHP. The run-off river MHP uses water energy, whose flow is relatively fixed. Therefore, MHP often uses dummy load ELC for frequency stabilizers [3,4]. This ELC controls the resistive (heater) dummy load as a load balancer. However, an ELC based on Power Electronics, especially when using Triac, produces harmonic currents due to the switching technique. This Triac-Based ELC is widely used in MHP in Indonesia. Therefore, it is necessary to improve the power quality to eliminate the harmonics caused by ELC and other nonlinear loads on the MHP. Likewise, much energy used is wasted because of the use of this ELC dummy load. For this reason, it is necessary to develop a strategy to utilize the power from the dummy load.
Attempts to remove harmonic currents in MHP with Triac-Based ELC use to passive filters have been made but not entirely successful, and the impact of the voltage harmonics produced by the ELC is also felt by consumers. The generator produces harmonic currents from switching ELC and nonlinear loads. An active filter with the PWM Hysteresis Band Current Control (HBCC) method is expected to eliminate harmonic currents in the generator. This control technique has been operating for various engineering purposes, such as active filters or inverters [5–7]. This study will attempt to eliminate the effect of current and voltage harmonics due to the Triac-Based ELC in small (micro-hydro) power plants. Cutting alternating current with a triac has a very sharp cut-off electric wave. Hence, it is not very easy to repair using an ordinary power filter. The unique power filter is used in this technique by combining the HBCC technique by adding a passive power filter on the upstream side of the filter. One option/strategy of harmonics elimination is to use HBCC [8]. HBCC is expected to eliminate harmonics in the MHP, which has frequency control using a resistive dummy load with Triac-Based ELC. As a power plant in rural areas, the energy consumed is only during certain relatively short hours, usually from 5 to 10 pm. Due to the short time service to consumers, using power from MHP becomes less than optimal. For this reason, dummy load power is proposed as a by-product of the MHP.
Therefore, the energy wasted in the dummy load system must be utilized as energy by production. Energy-saving with conservation has become an exciting topic, as stated by Oladeji et al. [9]. Studies of the MHP control electrical systems using Simulink and Matlab have also been developed [10]. However, discussions about energy by-products or power quality improvement techniques in off-grid electricity systems based on MHP run-off rivers are difficult to find. Therefore, this article will describe the design methods for improving power quality and the possibility of optimal energy use in the run-off river micro-hydro system in a case study at the Gunung Halu MHP.
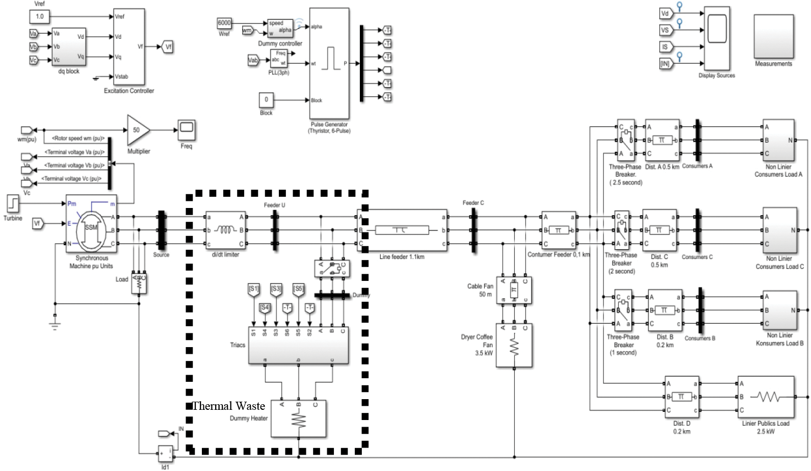
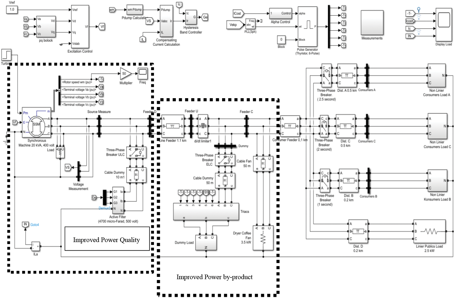
This article examines the harmonic problem caused by the Triac switching current for frequency control and the effective use of the generated power on the Gunung Halu MHP as a case study. For this reason, the electrical system at the Gunung Halu MHP will be described. It can be seen in Fig. 1a. Then, a simulation experiment of the existing system is carried out to get an overview of the power quality of the existing system. After that, a design simulation with the addition of an active filter is to determine the improvement in power quality of the MHP case study, see Fig. 1b.

Figure 1: (a) Existing systems and (b) proposed system
This type of run-off river has the characteristic that the input power of the generator is constant. In contrast, the consumption of consumer power can change depending on usage. Then, to keep the frequency and voltage of the generator stable, a dummy load is made to balance the system load requirements. The electronic load controller (ELC) regulates the dummy load so that the frequency and voltage remain stable (Fig. 1a). The case study of the Gunung Halu MHP is to make a dummy load in the form of an air heater. The energy generated from the air heater is dissipated from the heat to the environment. Besides power quality improvement, the idea of this research is that power can be as a by-product. It can be seen in Fig. 1b.
The simulation is carried out on two types of systems, namely the current system shown in Fig. 1a, and the redesigned system in Fig. 1b. The focus of the redesign was to install active filters to improve power quality on the output side of the generator. Therefore, monitoring the power quality on the generator side is a point of observation. Furthermore, the research results can be analyzed, and the design results can be concluded.
2.1 Case Study Data and Design Planning
The specifications of the currently running system, namely the Gunung Halu MHP are shown in Table 1. Fig. 1 shows the simplification of the existing system (Fig. 1a) and the electrical system proposed to develop the MHP plan (Fig. 1b) in the case study. The steps in the simplification are: First, is to transfer the dummy ELC load to the feeder on the consumer side, and then is to make the dummy load as a heater to dry the coffee beans. Alternatively, in other words, the dummy load of ELC is used as a by-product of the MHP heat, then, at the location where the dummy load is installed, an active power filter is installed in order to remove the harmonic voltage and system current from the generator output side.

The active filters to remove current harmonics using hysteresis control technology have developed rapidly [8,11,12]. In addition, active filters can remove harmonic currents with IGBT or MOSFET devices [13]. Active filters are intended to generate currents whose phase angle is opposite to the phase angle of the harmonics to be removed. The use of PWM controlled by HBCC to trigger this power component can be seen in the articles of Shahane and others [14,15]. The design concept of using HBCC as a filter can use supporting software; articles have been proposed by Shrestha et al. [16]. The hysteresis current control has also been implemented in the Maximum Power Point Tracking (MPPT) Photo Voltaic (P.V.) control [17]. The problem of ELC control as a complement to MHP can be explored, among others, in papers [3,4,16,18]. Triac-Based ELC causes the current harmonics in the generator to increase. The paper Shrestha et al. [16] presented discussed the effect of this Triac-based ELC.
Dummy load with ELC control on MHP as the case study object develops is still used to control the system's frequency. The thermal energy generated will be proposed for the coffee bean dryer. So, it is necessary to eliminate harmonics at the MHP. ELC control techniques in the micro-hydro run-off river system using a dummy load can vary. For example, the voltage feedback technique is often offered [19]. This technique assumes that the turbine power is made according to the nominal power in the run-off river system. Thus, the system voltage and frequency are set at the standard that applies to the technique. Therefore, generating power (PGenerator) consists of consumption load (PConsumption) and dummy load (Pdummy).
In other words, dummy power as a by-product (Pby-product) equals the power generated (PGenerated) by the MHP minus the power consumed by consumers (Pconsumers).
Control statements with ELC can follow the following logic. First, zero consumption load in the initial conditions and all dummy loads. Then when the consumption load increases, the dummy load decreases. Overall, the system load is kept constant. Since the power balance system is fixed, it can be expected that the system voltage and frequency will also remain stable. The dummy power (
ELC uses Triac ignition angle in this case study using the alpha angle control technique as a current dummy cutter, so the power is constant. Therefore, the control in this article is to use this technique. Namely, the ignition angle adjusts to the electric current of consumption. That is, the magnitude of the dummy current (
Based on the statements above, it can be said that the amount of electric power used as a by-product is proportional to the amount of dummy current, see Eq. (4). The heat of energy by-product (
Furthermore, the active filter with HBCC can improve power quality due to the use of Triac-Based ELC. The combined control of ELC and HBCC is expected to eliminate current and voltage harmonics on the downstream side (before the filter but after the generator), set the system frequency standard, and obtain the by-product. So that the system, the MHP, becomes more efficient and effective. The basic formula of the hysteresis current controller can be seen in the article by Seetharamiah et al. [7]. The HBCC formulation can be seen in (6) and (7).
2.2 MHP Gunung Halu Case Modelling
The simulated model can be seen in Fig. 1, in the model Fig. 1a is the current system, and the model in Fig. 1b is an improvement on the proposed system. and to justify the proposal, simulations on the current system have been carried out and shown in Fig. 2. The simulation model for the proposed system is in Fig. 3. The existing system simulates a voltage controller with a dq control and a frequency controller using ELC with a dummy load current control using a Triac. The proposed system simulation is the existing system added with an active filter. The active filter control technique uses HBCC. It can be seen in Eqs. (6) and (7).

Figure 2: Simulation existing MHP Gunung Halu system

Figure 3: Simulation of improved MHP power quality and power by product
Experiments in this simulation are carried out by changing the load on consumers. Namely, changing the customer load by inserting a switch breaker (C.B.s) increases the consumer's burden. In this study, the C.B. is the mode on at the 1st second, 2nd second, and 2.5th second. Then the results are observed using an oscilloscope to get an overview of the electrical system's performance. The simulation results focus on the voltage and electric current in the main components of the electrical system, namely the generator, feeder, and dummy load. Then, the by-product is related to changes in the consumer-side electrical load. Meanwhile, the power quality observes on the generator and feeder sides.
The combination of ELC and HBCC systems in the case study intends to improve the capability of the MHP-type run-off river electrical system. The dummy load is a heat-generating resistance component controlled by ELC on the Gunung Halu MHP electrical system to heat coffee beans. In comparison, adding HBCC ensures the quality of power for the better. The three things analyzed in this problem are the first improvement of the system's ability to frequency and the second about applying heat from the dummy load for drying coffee beans. The third is the power quality improvement in the off-grid MHP electrical system. Analysis of the planned new system capabilities results can be described as follows.
3.1 Frequency Control Simulation Result
A stable frequency change combines dummy load control based ELC and active filter using the HBCC technique. Fr change range below 0.2 Hz at various load changes. Fig. 4b shows that the load changes in the 1st second, 2nd second, and 2.5th second. The frequency system is perfect and is relatively stable (50 ± 0.2 Hz). The change in frequency when only ELC installed without HBCC is at a value of (50 ± 1 Hz), see Fig. 4a. In addition, the combination of ELC and HBCC increases the frequency rigidity of the system.

Figure 4: Comparison results of existing (a) and proposed system (b)
3.2 Coffee Bean Dry By-Product
The power generated by the MHP is constant, this is due to the power consumption of the consumer and the dummy load as well. However, the energy transferred to the dummy load changes every time there is a change in power to the consumer. For example, feeder current shows, if the demand for power in the household increases, then the energy in the dummy load heater for the coffee bean dryer decreases and vice versa. The power change that occurs is visualized by the diagram shown in Fig. 5.

Figure 5: Preinstalled active filter of existing system
Thus, it is clearly seen that the power generated from the MHP is constant, and the reduced consumer load can be utilized to dry the coffee beans. Furthermore, the drying of these coffee beans can be done using the heat generated by the dummy load heater, see Fig. 5b. The problem of energy by-products is interesting because the use of consumer loads in a day is only about 5 to 6 h from a day's run-off river MHP energy production. Therefore, energy production from MHP for by-products will be better utilized if the dummy load is used as a heater in the coffee bean drying house. The use of an ELC-based dummy load as a by-product so as not to degrade the power quality can be done by adding an active filter.
Namely, if calculated from the peak load time of use by consumers (household) is about 5 h. Outside of these times, the peak load is equivalent to a peak load of 1 h, so the average daily load for consumers is 6 h (approximately between 05 pm–11 pm). Suppose that the peak load calculates as the nominal power of the MHP generation, which is 20 kW. Based on Eqs. (1) and (5), it can estimate that the energy consumed by consumers is 20 kW multiplied by 6 h, equivalent to 120 kWh. The by-product (used as a coffee dryer) is equal to 20 kW times 18 h or about 360 kWh/day. Energy by-products will grow the economic activities of the local community. This is in line with SDGs 7 (Ensure access to affordable, reliable, sustainable, and modern energy for all) and 8 (Decent work and economic growth).
3.3 MHP Power Quality Improvement
The simulation results of the existing system show that the generator current is still relatively high if the passive filter/limiter on the ELC-based Triac is used. The simulation results of the existing system of the generator harmonics: the TDDi is about 30%, and the total harmonics distortion voltage (THDv) is about 2.5%. It also identifies that the phase angle shift is about 540. So, it can be said that the system in the existing MHP has relatively poor power quality, as shown in Fig. 6a. Then, in this study, an active filter is proposed to overcome the presence of this harmonic current (Fig. 1b). The results of the proposed electric MHP system simulation design can be seen in Fig. 6b.

Figure 6: Post-installed active filter of existing system
Fig. 6a shows that before the active filter installation, it turned out that there were quite large current harmonics. Furthermore, the simulation results by installing a harmonic filter using the HBCC technique; the current and voltage harmonics in the MHP electrical system are perfect. Namely, TDDi on the generator bus is less than 4%, while the THDv on the generator bus side is 1%. Thus, complying with the following regulations based on IEEE 519, TDDi, and THDv for generators are 5% and 8%. Consequently, an active power filter improves power quality by a power factor close to unity, see Fig. 6b.
Fig. 7a shows that before the active filter installation, it turned out that there were quite large current harmonics. Furthermore, the simulation results by installing a harmonic filter using the hysteresis band current control technique; the current and voltage harmonics in the MHP electrical system are perfect. Namely, TDDi on the generator bus is less than 4%, while the THDv on the generator bus side is 1%. Therefore, the following regulations based on IEEE 519, TDDi, and Total Harmonics Distortion Voltage (THDv) for generators are 5% and 8%. Consequently, an active power filter improves power quality by a power factor close to unity, see Fig. 7b.

Figure 7: The result of harmonics for existing (a) and design plan system (b)
Load conditions simulate using a Circuit Breaker (C.B.) activation method. First, none of them lit, one turning on at the 1st second, then the 2nd second, and the 2.5th second. The simulation results observed the effect of harmonics on the generator, and the generator harmonics show in Table 2. Table 2 shows the current and voltage harmonics at the generator output getting better after filtering. So, using an active filter control technique with hysteresis current band control has improved the harmonics on the generator side.

Using heat from the ELC dummy load in the run-off river MHP electricity system is still possible as a by-product. This research proposes using a dummy load's energy (heat) product as a coffee bean dryer. The heat in a dryer is in the form of hot air blown into the coffee bean drying room. It knows that the consumer's electrical energy consumption time is only about a quarter of the total energy that can generate. So, the energy by-product that can be used as a coffee bean dryer is three-quarters of the total energy produced by MHP. The energy for the by-products is about 360 kWh/day. Energy by-products will grow the economic activities of the local community. This is in line with SDGs 7 (Ensure access to affordable, reliable, sustainable, and modern energy for all) and 8 (Decent work and economic growth). Furthermore, so that the energy consumption of the dummy load with Triac-Based ELC does not reduce the power quality of the MHP, an active HBCC filter can be added. For this reason, the wasted energy from the dummy load becomes very practical to be converted into heat to dry the coffee beans without damaging the power quality of the power plant.
Frequency control in the off-grid MHP electrical system using a Triac-Based ELC leaves a harmonic frequency. This harmonic frequency can be eliminated by using an active filter based on hysteresis current control. Simulation results using Simulink can reduce up to TDDi and THDv generator to less than 2%, with a power factor of almost 1. So, it can say that in simulation, the active filter can successfully eliminate harmonics and power factors in MHP with Triac-Based frequency control.
Acknowledgement: Thank you to Politeknik Negeri Bandung and Telkom University for supporting this work and accessing the laboratory.
Funding Statement: This research was funded by Politeknik Negeri Bandung for funding this research in the 2021 budget year through a grant for applied research, Number B/78.14/PL1.R7/PG.00.03/2021.
Conflicts of Interest: The authors declare that we have no conflicts of interest to report regarding the present study.
References
1. Eini, M. K., Moghaddam, M. M., Tavakoli, A., Alizadeh, B. (2021). Stability analysis of AC/DC microgrids in island mode. International Journal of Engineering, Transaction A: Basics, 34(7), 1750–1765. https://doi.org/10.5829/ije.2021.34.07a.20 [Google Scholar] [CrossRef]
2. Sagar, G. V. R., Debela, T. (2019). Implementation of optimal load balancing strategy for hybrid energy management system in DC/AC microgrid with P.V. and battery storage. International Journal of Engineering, Transaction A: Basics, 32(10), 1437–1445. https://doi.org/10.5829/ije.2019.32.10a.13 [Google Scholar] [CrossRef]
3. ur Rehman, U., Riaz, M. (2018). Design and implementation of electronic load controller for small hydro power plants. 2018 International Conference on Computing, Mathematics and Engineering Technologies (iCoMET), Sukkur, Pakistan. https://doi.org/10.1109/ICOMET.2018.8346450 [Google Scholar] [CrossRef]
4. Riaz, M. H., Yousaf, M. K., Izhar, T., Kamal, T., Danish, M. et al. (2018). Micro hydro power plant dummy load controller. 2018 1st International Conference on Power, Energy and Smart Grid (ICPESG), Mirpur Azad Kashmir, Pakistan. https://doi.org/10.1109/ICPESG.2018.8384511 [Google Scholar] [CrossRef]
5. Abedi, S. M., Vahedi, H. (2013). Simplified calculation of adaptive hysteresis current control to be used in active power filter. Trends in Applied Sciences Research, 8(1), 46–54. https://doi.org/10.3923/tasr.2013.46.54 [Google Scholar] [CrossRef]
6. Ansari, A., Tiwari, A. N. (2015). A review on hysteresis current controller and space vector analysis in inverter. Journal on Electrical Engineering, 9(1), 26–31. [Google Scholar]
7. Seetharamaiah, A., Jayakumar, N. (2017). Modeling of hysteresis current control technique for three-phase PV based VSI using MATLAB/Simulink. International Research Journal of Engineering and Technology (IRJET), 4(11), 1738–1750. https://irjet.net/archives/V4/i11/IRJET-V4I11317.pdf [Google Scholar]
8. Ajeigbe, O. A., Chowdhury, S. P., Olwal, T. O., AbuMaffouz, A. M. (2018). Harmonic control strategies of utility-scale photovoltaic inverters. International Journal of Renewable Energy Research, 8(3), 1354–1368. [Google Scholar]
9. Oladeji, A. S., Akored, M. F., Aliyu, S., Mohammed, A. A., Salami, A. W. (2021). Simulation-based optimization of hybrid renewable energy system for off-grid rural electrification. International Journal of Renewable Energy Development, 10(4), 667–686. https://doi.org/10.14710/ijred.2021.31316 [Google Scholar] [CrossRef]
10. Ali, W., Farooq, H., Rasool, A., Sajjad, I. A., Zhenhuad, C. et al. (2021). Modeling and analysis of the dynamic response of an off-grid synchronous generator driven micro hydro power system. International Journal of Renewable Energy Development, 10(2), 373–384. https://doi.org/10.14710/ijred.2021.33567 [Google Scholar] [CrossRef]
11. Pujitha, C. V., Rao, A. S. (2015). Mitigation of harmonics using active power filters based on hysteresis current control. International Journal of Advanced Research in Electrical, Electronics and Instrumentation Engineering, 4(4), 2666–2674. https://doi.org/10.15662/ijareeie.2015.0404120 [Google Scholar] [CrossRef]
12. Pandian, D. M., Immanuel, D. G. (2015). Elimination of power system harmonics using shunt active power filter with hysteresis current control technique. ARPN Journal of Engineering and Applied Sciences, 10(14), 5705–5709. [Google Scholar]
13. Aguilera, R. P., Acuna, P., Konstantinou, G., Vazquez, S., Leon, J. I. (2018). Basic control principles in power electronics. In: Control of power electronic converters and systems, pp. 31–68. Elsevier. https://doi.org/10.1016/B978-0-12-805245-7.00002-02 [Google Scholar] [CrossRef]
14. Shahane, H., Onkarkar, S., Khandekar, P., Bhagat, Z., Tondare, R. (2018). Review of different PWM techniques. International Journal of Engineering Research in Electrical and Electronic Engineering (IJEREEE), 4, 206–208. https://doi.org/10.1109/ACC.1997.611797 [Google Scholar] [CrossRef]
15. Ponce, R. R., Munoz, F. G. M. (2020). Microcontroller-based direct torque control servo drive. Hindawi Journal of Robotics, 11(3), 9152494. https://doi.org/10.1155/2020/9152494 [Google Scholar] [CrossRef]
16. Shrestha, D., Rajbanshi, A. B., Shrestha, K. (2014). Advance electronic load controller for micro hydro power plant. Journal of Energy and Power Engineering, 8(10), 1802–1810. [Google Scholar]
17. Puig, N. I. P. L., Acho, L., Rodellar, J. (2018). Design and experimental implementation of a hysteresis algorithm to optimize the maximum power point extracted from a photovoltaic system. Energies, 11(7), 1866. https://doi.org/10.3390/en11071866 [Google Scholar] [CrossRef]
18. Kalla, U. K. (2016). Minor component analysis based anti-hebbian neural network scheme of decoupled voltage and frequency controller (DVFC) for nanohydro system. 2016 IEEE 7th Power India International Conference (PIICON), Bikaner, India, IEEE. [Google Scholar]
19. Aung, N. W., Ya, A. Z. (2015). Design of electronic load controller by using combination method for micro-hydro power plant and its control and monitoring program simulation. International Journal of Electrical, Electronics and Data Communication, 3(6), 6–12. [Google Scholar]
Cite This Article
Copyright © 2023 The Author(s). Published by Tech Science Press.This work is licensed under a Creative Commons Attribution 4.0 International License , which permits unrestricted use, distribution, and reproduction in any medium, provided the original work is properly cited.


Submit a Paper
Propose a Special lssue
View Full Text
Download PDF
Downloads
Citation Tools