Open Access
ARTICLE
A Novel Improved Puma Optimizer to Boost Photovoltaic Array Production in Partially Shaded Environments
1 Department of Information Technology, College of Computer and Information Sciences, Princess Nourah bint Abdulrahman University, P.O. Box 84428, Riyadh, 11671, Saudi Arabia
2 Electrical Engineering Department, College of Engineering, Jouf University, Sakaka, 72388, Saudi Arabia
3 Faculty of Computers and Artificial Intelligence, Beni-Suef University, Beni-Suef, 62511, Egypt
4 Faculty of Computers and Information, Minia University, Minia, 61519, Egypt
5 Artificial Intelligence Department, Minia National University, Minia, 61519, Egypt
* Corresponding Author: Ahmed Fathy. Email:
Computer Modeling in Engineering & Sciences 2026, 146(2), 25 https://doi.org/10.32604/cmes.2025.069931
Received 03 July 2025; Accepted 15 September 2025; Issue published 26 February 2026
Abstract
This research proposes an improved Puma optimization algorithm (IPuma) as a novel dynamic reconfiguration tool for a photovoltaic (PV) array linked in total-cross-tied (TCT). The proposed algorithm utilizes the Newton-Raphson search rule (NRSR) to boost the exploration process, especially in search spaces with more local regions, and boost the exploitation with adaptive parameters alternating with random parameters in the original Puma. The effectiveness of the introduced IPuma is confirmed through comprehensive evaluations on the CEC’20 benchmark problems. It shows superior performance compared to both established and modern metaheuristic algorithms in terms of effectively navigating the search space and achieving convergence towards near-optimal regions. The findings indicated that the IPuma algorithm demonstrates considerable statistical promise and surpasses the performance of competing algorithms. In addition, the proposed IPuma is utilized to reconfigure a 9 × 9 PV array that operates under different shade patterns, such as lower triangular (LT), long wide (LW), and short wide (SW). In addition to other programmed approaches, such as the Whale optimization algorithm (WOA), grey wolf optimizer (GWO), Harris Hawks optimization (HHO), particle swarm optimization (PSO), gravitational search algorithm (GSA), biogeography-based optimization (BBO), sine cosine algorithm (SCA), equilibrium optimizer (EO), and original Puma, the indicated method is contrasted to the traditional configurations of TCT and Sudoku. In addition, the metrics of mismatch power loss, maximum efficiency improvement, efficiency improvement ratio, and peak-to-mean ratio are calculated to assess the effectiveness of the indicated approach. The proposed IPuma improved the generated power by 36.72%, 28.03%, and 40.97% for SW, LW, and LT, respectively, outperforming the TCT configuration. In addition, it achieved the best maximum efficiency improvement among the algorithms considered, with 26.86%, 21.89%, and 29.07% for the examined patterns. The results highlight the superiority and competence of the proposed approach in both convergence rates and stability, as well as applicability to dynamically reconfigure the PV system and enhance its harvested energy.Keywords
Rapid population growth and increasing industrialization exert significant pressure on the world’s limited resources, resulting in shortages in various sectors such as water, soil, and energy [1]. With global energy demand surging and concerns over energy security intensifying, transitioning to renewable energy sources has become an urgent priority for achieving sustainable development [2]. Among the various renewable energy technologies, solar energy stands out as one of the most promising alternatives. Solar power sourced from an abundant and inexhaustible resource provides a clean and sustainable approach to addressing increasing energy needs while minimizing greenhouse gas emissions [3]. Regarding multiple renewable energy sources, solar power, particularly photovoltaic technology (PV), is the most promising sustainable source due to its scalability, low operational costs, and environmental benefits. Photovoltaic systems, which directly convert sunlight into electricity, have gained significant attention as a result of these advantages [4]. However, the performance and effectiveness of PV systems can be significantly influenced by environmental factors, including ambient temperature and solar radiation. These factors vary significantly with changing climatic conditions, highlighting the need for optimized PV performance under diverse environments [5]. A critical challenge in PV technology is partial shading (PS), which results from obstructions such as trees, buildings, or clouds. Partial shading leads to significant energy losses by reducing the overall power output and causing current mismatches across modules, affecting the efficiency of the system [6]. Numerous reconfiguration strategies have been indicated to optimize PV system performance to mitigate the effects of partial shading [7,8]. Conventional static methods, such as Total Cross Tied (TCT), HoneyComb (HC), and Bridge-Linked (BL) layouts, alter electrical connections within photovoltaic arrays to reduce mismatch losses and enhance power extraction [9]. However, these static methods are limited in their ability to react in real-time, as shading conditions fluctuate dynamically throughout the day. Therefore, researchers have investigated dynamic optimization strategies that use advanced algorithms to continuously adjust PV module connections for optimal energy production [10]. Techniques such as Arnold’s Cat Map Algorithm, which applies mathematical transformations to reorganize PV module connections, and the African vultures optimization algorithm (AVOA), a metaheuristic optimization inspired by scavenging behaviour, have demonstrated promising results in improving PV efficiency [11].
Numerous researchers have explored and implemented various reconfiguration strategies, categorized as either static or dynamic, to optimize PV array performance under partial shading conditions. These techniques are designed to enhance energy generation by mitigating power losses caused by shading effects, ensuring a more efficient distribution of power across the array. Dynamic reconfiguration methods, in particular, provide real-time adaptability by altering the electrical connections between PV modules based on shading patterns, whereas static approaches focus on predefined configurations to improve overall power output. The authors in [12] developed a hybrid optimization method to improve the PV system performance under normal and dynamic irradiation circumstances. Teaching learning-based optimization (TLBO) succeeded in exploration, whereas the equilibrium optimizer (EO) has been incorporated at exploitation. The authors in [13] established a grid-connected solar PV system using a 3-phase shunt active power filter (APF) and the AVOA-based recurrent neural network for maximum power point tracking (MPPT). They also presented a four-square sudoku method for reconfiguring a 9 × 9 total cross tied (TCT) photovoltaic array under conditions of partial shadowing. An extensive comparative analysis of ten distinct controllers for PV systems, including both traditional MPPT methods and artificial intelligence (AI)-based controllers, has been conducted [14]. The research assessed many criteria, such as voltage, current, power, weather dependency, cost, complexity, reaction time, periodic tuning, stability, partial shade, and accuracy, to identify the most efficient MPPT controllers under diverse settings. A two-step module replacement approach has been presented to mitigate the effects of partial shading on PV systems [15]. The methodology highlights modifying the electrical connections of PV modules without dependence on complex algorithms or switches, providing a cost-efficient and low-complexity solution. An innovative reconfiguration method incorporated for PV modules has been presented to mitigate the detrimental impacts of shade [16]. The method utilized the simulated annealing process to modify the electrical connections among photovoltaic modules in a 9 × 9 TCT array to reduce current discrepancies between rows and enhance power production. A hybrid AVOA and recurrent neural network MPPT has been established to boost PV power generating efficiency and improve solar array power tracking [17]. The authors in [18] maximized the generation of the PV array under partial shade operation through an optimal mileage reconfiguration approach combining reinforcement learning and interior point method. Also, the additional mileage payments caused by power fluctuations have been minimized. A multi-agent negotiation method has been developed to reconfigure the PV array under partial shade operation to enhance its harvested energy [19].
In recent years, there has been a significant rise in interest surrounding complex real-world optimization problems that are challenging to resolve across multiple disciplines, particularly in areas related to computer science, data analytics, wireless communication, and engineering design [20–22]. These optimization challenges typically encompass elements such as constraints, decision variables, and objectives. Current research, particularly in the fields of engineering and manufacturing control, places a strong emphasis on the utilization of optimization algorithms [23]. The approaches to solving real-world engineering problems can be broadly categorized into analytical or numerical programming and heuristic or metaheuristic methods [24]. Metaheuristic algorithms (MAs) can be classified into two distinct groups: single-solution and population-based algorithms, with single-solution algorithms typically demonstrating superior efficiency. Real-world problems can often be classified as single-objective, multi-objective, or multimodal optimization problems, each presenting unique complexities [25]. Traditional mathematical techniques, such as gradient descent and conjugate gradient methods, often struggle to effectively address these complex scenarios [26]. Metaheuristic strategies are fundamentally grounded in two key principles: intensification and diversification, which play a crucial role in the quest for optimal solutions. Intensification refers to the process of concentrating efforts on the most promising areas of the search space through evolving the elite candidate agents. Simultaneously, diversification facilitates a broad and effective observation of the search space, primarily achieved through the incorporation of stochastic walks. Achieving a careful equilibrium between these two strategies is vital for ensuring effective convergence towards globally optimal solutions while circumventing the pitfalls associated with local optima [27,28]. The consistent progress of metaheuristic tactics, marked by a growing variety of approaches, highlights the vigorous involvement and persistent commitment of the scientific community to this domain. This intellectual endeavor fosters the implementation of novel approaches and enhances existing ones [29]. This ongoing cycle of invention markedly broadens the spectrum of solutions for handling complex issues [30,31], generating new chances across many application domains. The fundamental versatility of these techniques permits their adjustment to different contexts, reinforcing their importance in confronting contemporary optimization and problem-solving challenges. The Puma optimization algorithm (POA) has recently been introduced for solving optimization problems [32]. This approach is based on the behaviors demonstrated by pumas in their natural habitats, specifically their hunting strategies and territorial exploration methods. The POA adopts these behaviors to create a methodology that balances the exploration of new solutions with the exploitation of existing ones. The primary motivation for using the POA is its robust and flexible design, which allows it to efficiently solve diverse optimization problems. Unlike many other algorithms that struggle to transition between exploration and exploitation, POA incorporates a hyper-heuristic phase change mechanism. This unique feature allows the algorithm to automatically and intelligently switch between phases based on the problem’s nature. The POA outperformed several other optimizers in a majority of the 33 benchmark functions and demonstrated superior results in practical applications such as clustering, community detection, feature selection, and machine learning problems (MLP). This empirical evidence indicates that POA is a highly reliable and effective tool for solving real-world problems. The authors present the enhanced Puma optimization algorithm (IPuma), a refined version of the conventional POA. This algorithm employs the Newton-Raphson Search Rule (NRSR) to enhance the exploration process, particularly in search spaces characterized by numerous local regions. It generates random parameters, facilitating a more dynamic exploration of the search space and refining various algorithmic components. Thus, authors have become interested in the POA algorithm due to its applicability in optimizing diverse problems, especially in the field of engineering applications. Study in [33] introduced a variant of the POA algorithm through the incorporation of chaotic maps, aimed at enhancing the temporal efficiency and stability of nonlinear wheeled mobile robots. Authors in [34] utilized the POA to manage the allocation of diverse distributed generations (DGs) in a radial distribution problem and reduce the power losses. The research detailed in [35] applied the POA to optimize hyperparameters, to enhance the computational efficiency and accuracy of dynamic models related to ship designs. In the study referenced in [36], the POA was applied to derive and optimize the parameters associated with nine three-diode PV modules. The analysis conducted in [37] utilized the POA to determine the effective distribution of power generation and environmental emissions among various units, with a focus on integrating economic and environmental factors. This prompts authors to present an improved IPuma algorithm. The improved IPuma enhances the performance of the traditional POA algorithm by strengthening the exploration phase with a Newton-Raphson-based strategy and improving exploitation through the introduction of adaptive operators. The effectiveness of the proposed IPuma is evaluated using the IEEE CEC’2020 test suite CEC [38]. The IPuma is also utilized to improve the production of solar arrays that are operated under different partial shade patterns by rearranging its panels. The outcomes produced by the IPuma are compared to several established and recently developed meta-heuristics, including the Whale optimization algorithm (WOA) [39], Harris hawks optimization (HHO) [40], Grey Wolf Optimizer (GWO) [41], Particle Swarm Optimization (PSO) [42], Biogeography-Based Optimization (BBO) [43], Gravitational Search Algorithm (GSA) [44], Sine Cosine Algorithm (SCA) [45], Equilibrium optimizer (EO) [46], and original POA [32]. The findings indicate that the IPuma algorithm demonstrates significant statistical promise and surpasses the performance of competing algorithms.
This study proposes a novel optimization method that incorporates real-time monitoring, adaptive module reallocation, and intelligent decision-making. This method improves energy output and system flexibility under partial shade situations by integrating heuristic optimization algorithms with data-driven control mechanisms. The indicated technology enhances the performance of photovoltaic systems while providing a more affordable, cost-effective, and efficient approach to maximizing the generation of energy in real-world situations. This study aims to considerably develop solar energy technology, providing useful insights that can facilitate the broad utilization of photovoltaic systems and raise a sustainable energy future.
The primary contributions of this research are as follows:
• A novel improved Puma optimization algorithm (IPuma) is introduced to increase the production of a shaded PV array via reconfiguring its architecture.
• The Newton-Raphson search rule is proposed to boost the exploration process and adapt the exploitation parameters.
• A 9 × 9 PV array operating under LT, LW, and SW shade patterns is analyzed, while a comparison to other architectures is conducted.
• The recommended IPuma is evaluated using various indices, such as peak-to-mean ratio, efficiency improvement ratio, maximum efficiency improvement, and mismatch power loss.
• IPuma’s effectiveness and dependability in generating optimal results are confirmed.
This paper is structured into multiple sections: Section 2 introduces the photovoltaic array model, while Section 3 details the Puma optimization algorithm. Section 4 presents the enhanced Puma optimization algorithm (IPuma), while Section 5 examines the results and assesses the performance of IPuma through the CEC’2020 test suite. Section 6 outlines the use of the IPuma algorithm for reconfiguring the PV array in conditions of partial shade. Section 7 provides a summary of the findings presented in the study.
The following section determines the photovoltaic array concept and the associated circuit used for the installation of the array’s modules, as seen in Fig. 1. The most widely used similar circuit for simulating the physical behavior of PV modules is the one diode circuit, which is simpler as shown in Fig. 1. One panel’s electric output current can be calculated using Kirchhoff current law in the manner shown below [47]:
where
where

Figure 1: (a) TCT architecture of m × n PV array, (b) single diode diagram (SDM) equivalent circuit
Since the PV panel current is dependent on the levels of incident irradiance, as previously stated, the current of each (ij) panel can be calculated as [48],
where
The Kirchhoff voltage rule is utilized to calculate the array voltage as [48],
where

Figure 2: (a) Power-voltage, (b) Current-voltage curves of PV module in normal and PS operations
In the event of partial shade (PS), the TCT connection produces more power than the conventional series-parallel (SP) connection. However, the multi-peak problem in the PV output curves is not resolved by the TCT connection. Researchers proposed ways to reorganize the PV array to address the multi-peak problem and optimize the output power. The SudoKu puzzle, depicted in Fig. 3, is another well-liked layout. The primary problem with SudoKu is that it cannot dynamically reconfigure the PV array. As a result, this study proposes an innovative approach to dynamically rearrange the PV operated in a PS situation to increase the generated PV output power using the improved puma optimizer (IPuma).

Figure 3: SudoKu architecture of m × n PV array
3 The Puma Optimization Algorithm (POA)
Developed in 2024, the Puma Optimization Algorithm (POA) represents a sophisticated metaheuristic approach inspired by the hunting strategies of pumas in their natural habitats. This optimization technique, which is based on population dynamics, conceptualizes each solution as a puma, where the optimal solution is similar to the dominant male, and the optimization landscape is viewed as its territory. A feature of POA is its distinctive approach of alternating between exploration and exploitation phases. This deliberate and strategic transition at every iteration enables the algorithm to adjust effectively to various stages of the optimization process. Thus, POA provides significant benefits compared to many alternative metaheuristic algorithms, positioning itself as an essential instrument for tackling diverse optimization problems across several fields. The fundamental stages of the POA algorithm are defined as follows:
In relation to the POA, the hunting behaviors exhibited by pumas are illustrated to show their capacity to traverse uncharted areas while simultaneously utilizing familiar territories. This modeling process is contingent upon the experiences gathered from prior encounters, simulating the manner in which pumas modify their hunting tactics in response to previous achievements.
The commencement of the POA encompasses a crucial initialization phase that endures through the initial three iterations. During this phase, the algorithm simultaneously engages in exploration and exploitation activities, laying a solid groundwork for the subsequent stages. The initialization process is regulated by the phase transition mechanism, which is dependent on two fundamental functions, f1 and f2, as defined in Eqs. (7) and (8)
where the constant
where
Thus, either score is superior, and decides the following process to begin with.
During the exploration, the POA employs a systematic approach to improve and broaden the range of possibilities. The method starts with the sorting of the total population in ascending order. Then, the algorithm proceeds to update the positions of the current solutions as follows:
where
In this exploratory stage, the POA systematically improves the given solutions, utilizing the following equations to direct each subsequent iteration.
where
At the current stage, the Puma optimization approach method utilizes unique hunting puma strategies that enhance answers: ambush and swift running. The mathematical representation of these actions is encapsulated in the form of the following formula:
where
The parameters R,
where
4 The Improved Puma Optimization Algorithm (IPuma)
The original version of the POA employs pure random variables to traverse the solution space, potentially leading to a less directed exploration and a preference towards premature convergence to local minima. An advanced algorithm referred to as IPuma was developed to rectify those deficiencies and boost the pursuit of global solutions. The application of the Newton-Raphson Search Rule (NRSR) within the IPuma algorithm provides benefits compared to a purely random approach. The NRSR search rule exhibits systematic behavior, marked by ergodic features that facilitate a comprehensive and varied investigation of the solution space. This reduces the likelihood of early convergence and prevents the algorithm from getting into non-promising regions. The IPuma enhances exploitation in the original POA, utilizing adaptive parameters instead of random parameters. This integration enhances navigation of the algorithm in the search space, optimizing the balance between global exploration and local exploitation. As a result, IPuma demonstrates significant progress in solution identification while minimizing the number of iterations needed to achieve the global optimum. The primary stages of the proposed IPuma are detailed as follows:
The IPuma uses the inherited Newton-Raphson Search Rule [49] to boost exploration and provide significant advantages over the purely randomly generated solutions:
The conditional parameter
parameter beta is 0 or 1 with formula
The value of
where
where operator
The
where the step size
where
The Role of the Newton-Raphson Search Rule in Enhancing the IPuma Algorithm:
The Newton-Raphson Search Rule (NRSR) is introduced in the IPuma algorithm to improve its exploration capabilities. The core idea is to guide the search agents toward promising regions more effectively. (i) Generating new positions: The NRSR is utilized to calculate new candidate solutions, denoted as X1 and X2, as provided in Eqs. (34) and (35). These new positions are not random; they are influenced by the best solution found, the worst solution, and the current agent’s position (x). This creates a direct search path. (ii) Integrating a dynamic step size: The NRSR is part of the calculation for a dynamic step size rho. This rho is a vector that guides the search by considering the difference between the best solution and the current solution, as well as the difference between two randomly selected solutions. (iii) Improving the position update: The enhanced IPuma algorithm applies the NRSR to update the solutions’ positions. Further, the update incorporates a dynamic parameter delta that decreases over iterations. This causes the search to be broader in the beginning with a high delta value and more refined and localized toward the end when the delta value becomes low, which is a common and effective strategy in optimization algorithms. In essence, the NRSR provides a more sophisticated and calculated way for the algorithm to explore the search space, moving beyond simple random movements to a more informed and adaptive strategy. Algorithm 1 shows the Pseudo-code of the suggested IPuma exploration phase.

Regarding the exploitation factors and conditions, the original POA uses a constant parameter that needs fine-tuning when applying to different optimization problems; on the other hand, the IPuma employs adaptive parameters. (i) The exploitation condition operator L: In the original POA, L is constant, meaning the balance between different exploitation sub-strategies remains fixed throughout the optimization process. In the IPuma, the condition operator
The exploitation process performed to refine explored solutions is updated as follows:
where
The
The suggested exploration phase of the IPuma is clarified in the Pseudo-code given in Algorithm 2. The full Pseudo-code of IPuma is given in Algorithm 3.


The flowchart of the proposed IPuma optimization methodology is illustrated in Fig. 4.

Figure 4: Proposed IPuma optimization methodology
In the experiments conducted, each algorithm is executed 30 times, comprising 1000 iterations, with 30,000 function evaluations (FEs) to guarantee that the comparison is both equitable and dependable. The configurations of the comparative optimizers are detailed in Table 1. The authors adhered to standard settings for each algorithm, which is considered a best practice and mitigates the potential for parameterization bias, as noted by [50]. This study utilized a varied array of performance metrics to evaluate the effectiveness of each algorithm.

The execution time of the IPuma algorithm is largely contingent upon the period needed to update the positions of the solutions. This can be articulated in the following manner:
where N is the size of the population, and T is the number of iterations. The big-O analysis for both POA and IPuma reveals a comparable complexity, indicating that IPuma is on par with the original Puma regarding big-O performance.
5 Experimental Series 1: CEC’2020 Test Suite Analysis
The effectiveness of IPuma is illustrated through the CEC’20 benchmark.
The effectiveness of the IPuma algorithm is assessed through a statistical approach that involves determining the average and standard deviation of the leading solutions from each execution. Accordingly, Table 2 provides a detailed comparison of IPuma’s performance alongside alternate algorithms on test functions of dimension 10, with the optimal results emphasized in bold. Reviewing the findings in Table 2 shows that the IPuma algorithm reliably outperforms other algorithms in most test functions. In addition, as shown in Table 2, the IPuma algorithm attains the highest rank in the Friedman test.

The boxplot analysis depicted in Fig. 5 is derived from 30 independent runs and serves to evaluate the distributions of the data. A compact shape in the boxplot signifies a high level of conformity in the algorithm results. The boxplots corresponding to the IPuma are predominantly narrower than those of other algorithms across most test methods, indicating lower value ranges. Accordingly, the IPuma shows a marked improvement in performance over its competitors across most test methods. The analysis of convergence is illustrated in Fig. 6, which presents the curves corresponding to the various comparative methods. Overall, the IPuma stands out with a rapid convergence towards optimal values. This swift convergence is critical for optimization tasks that necessitate efficiency in time, particularly in real-time optimization, highlighting the effectiveness of the IPuma algorithm in addressing such challenges.

Figure 5: Boxplot visualizations for the proposed IPuma technique, in comparison to alternative methods, were generated using the CEC’2020 test suite at a dimensionality of Dim = 10

Figure 6: Convergence visualizations for the proposed IPuma technique, in comparison to alternative methods, were generated using the CEC’2020 test suite at a dimensionality of Dim = 10
Wilcoxon is a non-parametric statistical metric to assess the significance of data obtained from algorithms. This test illustrates that the behaviour of the algorithm is consistent rather than erratic. Despite the inherent stochastic characteristics of metaheuristic algorithms, their performance is anticipated to remain reliable. For a thorough understanding of Wilcoxon’s test, readers are encouraged to consult [51]. This investigation employs the Wilcoxon rank-sum test, utilizing the average values of the optimal outcomes from 30 independent executions, to illustrate the differences between the proposed IPuma and other optimization techniques. Table 3 presents a comprehensive analysis of the results obtained from IPuma and alternative methodologies. The p-value indicates the significance level of the test, utilized to assess the rejection of the hypothesis of similarity, with a significance threshold set at 5%.

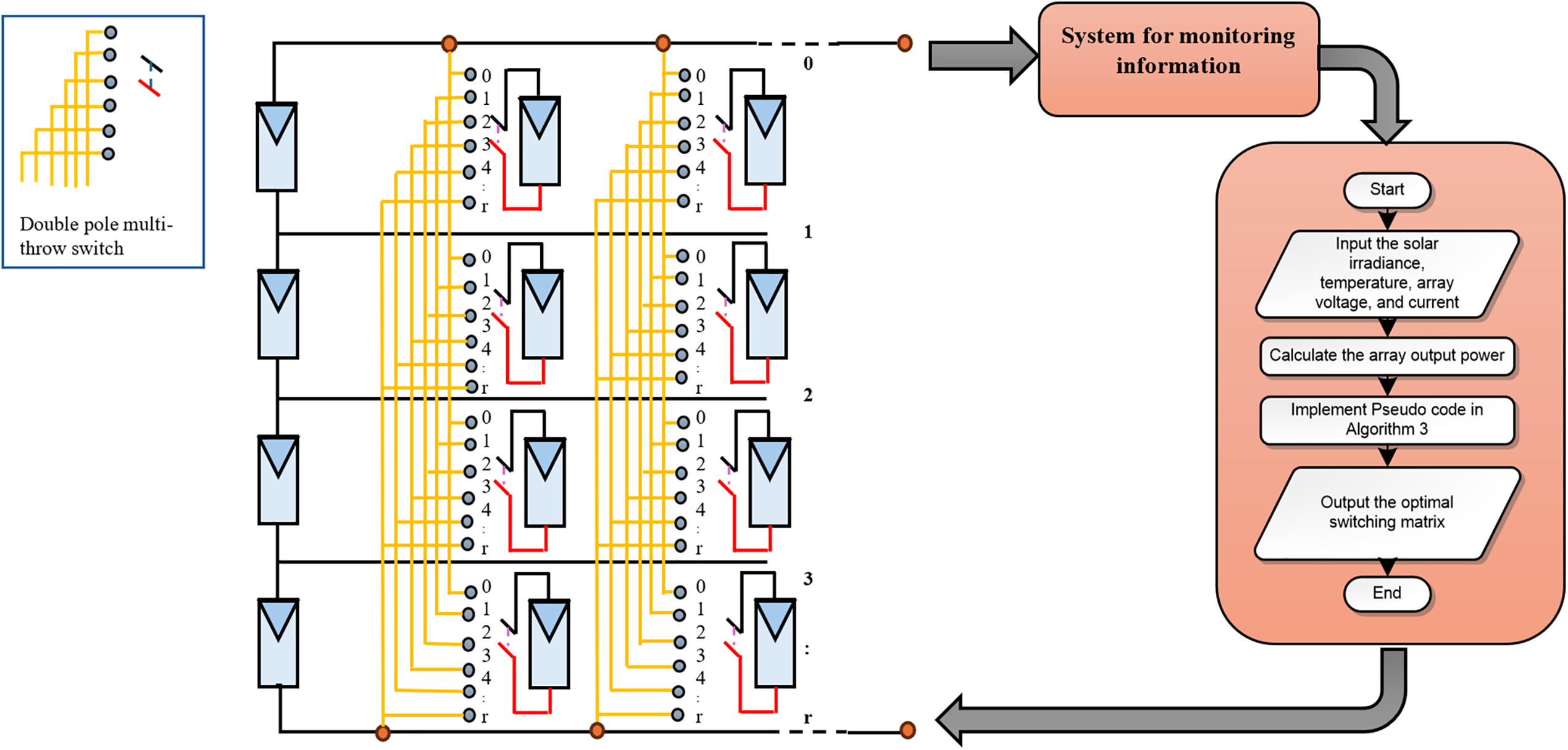
This section describes a practical engineering application that uses the proposed IPuma to dynamically reconfigure and boost the power output of a PV array running in PS circumstances. Double pole multi-throw (DPMT) switches are utilized to link the PV panels, and a switching matrix is utilized to control the states of these switches. DPMT switches are required for the dynamic reconfiguration of PV arrays because each PV module has two electrical terminals (positive and negative poles) that need to be reconnected simultaneously when the array topology is changed. Although single-pole switches can only reroute a single line, they run the risk of leaving modules floating or causing dangerous open circuits. The cost, losses, and durability of DPMT switches should be carefully weighed against the energy advantages from mismatch loss reduction, even if these switches are necessary for safe and flexible reconfiguration. The recommended IPuma Pseudo code provided in Algorithm 3 receives the generated power after the temperature, solar irradiance, array current, and voltage are recorded. Under PS situations, the recommended method is in charge of obtaining the ideal switching matrix that maximizes the power produced by the PV array. The indicated PV reconfiguration procedure conducted using the recommended IPuma is displayed in Fig. 7. This work presents a simplified switching matrix that employs double-pole multirow switches to reduce complexity and the number of switches. It is important to highlight that double-pole switches can only be connected to adjacent switch contacts.

Figure 7: Proposed PV reconfiguration procedure conducted using the recommended IPuma
The fitness function being examined is maximizing the PV array output power, and it can be expressed as follows:
The PV panel can only be swapped out for another one in the same column, which is the problem’s limitation. This can be stated as,
where
In TCT and Sudoku layouts, the shaded and unshaded modules are distributed more uniformly across strings, so the mismatch loss is enhanced. This improves the homogeneity of current between parallel branches; however, these systems are static and fail in adjusting the array once the wiring is fixed, and therefore lose effectiveness when the shading is dynamic or irregular. On the other hand, the indicated IPuma actively searches for near-optimal interconnections of PV modules under any given shading condition. Unlike TCT/Sudoku, it was adapted dynamically to shifting shading instead of depending on a set arrangement, as well as avoiding local optima and finding configurations that more efficiently minimize mismatch using a population-based search with a modified exploration and exploitation balance. In addition, IPuma can deal with complex or asymmetrical shading patterns when static patterns are unable to remain consistent. Because IPuma is adaptable enough to change in real-time, it decreases mismatch power losses far more than TCT and Sudoku, particularly in situations with non-uniform, dynamic partial shade.
In this experiment, Kotak 80 W panels with the electrical specifications given in [52] are used. When fully illuminated and functioning normally, the array’s total power is 14.648545 kW. The results are compared using the indicated IPuma, TCT [9], SudoKu [53], and additional methods such as BBO, SCA, GWO [54], HHO, and the original Puma. Each algorithm is executed 30 times, 200 iterations, and a population size of 20 to guarantee a fair comparison to the employed approaches.
6.1 Scenario (1): Operation in SW Pattern
Fig. 8a indicates that the array is distributed with solar irradiances of 0.9, 0.6, 0.4, and 0.2 kW/m2 in this shading pattern. The TCT is reflected in this setup, and the row currents can be computed as,

Figure 8: Best structure of PV system (a) TCT, (b) SudoKu, (c) BBO, (d) SCA, (e) GWO, (f) HHO, (g) Puma, and (h) The proposed IPuma during SW shade pattern
On the other hand, the original Puma generated the following row currents:
The proposed IPuma generates the following currents:
The optimal results for PV arrays running at the SW pattern with the proposed IPuma and other methods are listed in Table 4. Although the proposed IPuma received 10.441 kW of global power from the array, the original Puma extracted 10.379 kW. However, in second place behind the recommended IPuma, the BBO’s GP output was 10.413 kW. All PV array configurations’ current-voltage and power-voltage characteristics during the SW pattern are shown in Fig. 9. Out of all the curves, the ones that were produced using the recommended method are the best. The proposed approach fared better in that PS pattern than the others.


Figure 9: PV array (a) Current-voltage, (b) Power-voltage characteristics during operation in SW pattern
6.2 Scenario (2): Operation in the LW Pattern
The PV array surface in the second PS under consideration is exposed to solar irradiances of 0.9, 0.6, 0.5, 0.4, and 0.2 kW/m2, with the distribution displayed in Fig. 10a. This PS is long and wide (LW). Following the implementation of the recommended IPuma and others, Fig. 10b–h shows the fetched optimal reconfigurations of SudoKu, BBO, SCA, GWO, HHO, and the original Puma, respectively.

Figure 10: Best structure of PV system (a) TCT, (b) SudoKu, (c) BBO, (d) SCA, (e) GWO, (f) HHO, (g) Puma, and (h) The proposed IPuma during LW shade pattern
During the LW shade pattern, the proposed IPuma produces the following currents:
Table 5 lists the optimal GP acquired using the proposed IPuma layout and other methods during the LW pattern. The original Puma achieved a GP of 9.041 kW, while the proposed method retrieved the largest GP from the array under this shade pattern, with a value of 9.063 kW. With the lowest GP of 9.022 kW, the HHO is the worst of the metaheuristic techniques that were considered. In such a shadow pattern, the recommended IPuma performed better than any other configuration.

Fig. 11 displays the current-voltage and power-voltage characteristics for all PV array configurations under the LW pattern. The curves that were created utilizing the proposed procedure are the best of all of them. In that PS pattern, the recommended method performed better than the others.

Figure 11: PV array (a) Current-voltage, (b) Power-voltage characteristics during operation in LW pattern
6.3 Scenario (3): Operation in LT Pattern
The third shade pattern under consideration is the lower triangle (LT), whose solar radiation distribution is shown in Fig. 12a and includes four sun radiations of 0.9, 0.7, 0.5, and 0.3 kW/m2. The proposed IPuma and others are implemented, while the optimal fetched configurations are illustrated in Fig. 12.

Figure 12: Best structure of PV system (a) TCT, (b) SudoKu, (c) BBO, (d) SCA, (e) GWO, (f) HHO, (g) Puma, and (h) The proposed IPuma during LT shade pattern
The proposed IPuma generates the following currents under the LT shade pattern:
With a GP of 9.567 kW, the arrangement derived from the proposed IPuma, Fig. 12g, is the largest of the arrangements that were considered. The original Puma configuration in this case generates 9.522 kW of GP. The SCA-based arrangement generated the least amount of GP with a value of 9.451 kW, making it the worst of the metaheuristic techniques that were examined. The best fetched GP via the proposed IPuma arrangement and other algorithms in the LT pattern are listed in Table 6.

Fig. 13 displays the power-voltage and current-voltage characteristics for each PV array configuration in the LT pattern. In terms of quality, curves made using the proposed method are superior. The proposed approach outperformed the others in that PS pattern.

Figure 13: PV array (a) Current-voltage, (b) Power-voltage characteristics during operation in LT pattern
In addition, four metrics are calculated to confirm the feasibility of the proposed method compared to the methods that are being considered: mismatch power loss (
where


Figure 14: Bar chart of (a) mismatch power loss, (b) efficiency improvement ratio, (c) maximum efficiency improvement, and (d) peak-to-mean ratio for all examined scenarios
Through reconfiguration, the collected results showed that the proposed IPuma can be recommended as an efficient method for enhancing PV array generation for all examined PS conditions.
There are still a number of issues with the proposed IPuma, including the fact that it depends on simplified PV models, so noise, MPPT transients, and model mismatch can be included in the fitness assessment. In addition, regular topology changes can erode advantages due to realistic arrangement constraints, including switching hardware, finite endurance, on-state losses, thermal stress, and non-zero reconfiguration time. In addition, the analysis is performed on specific arrays and shade patterns; benefits can be less at sites with moderate or very temporary mismatches, and the expense of the reconfiguration hardware cannot always be warranted.
This study presents the Enhanced Puma Optimization Algorithm (IPuma), a novel dynamic reconfiguration tool for TCT-connected photovoltaic arrays to optimize energy production under partial shading conditions. The proposed approach uses the Newton-Raphson search rule (NRSR) to increase exploration, particularly in search spaces with more local regions. It also increases exploitation using adaptive parameters instead of the original Puma’s random parameters. Extensive testing on the CEC’20 benchmark problems has confirmed the usefulness of the proposed IPuma. It demonstrates superior performance to contemporary and established metaheuristic algorithms in terms of efficiently traversing the search space and reaching convergence towards areas that are close to ideal. In addition, the proposed IPuma is utilized to reorganize a 9 × 9 array that functions in LT, LW, and SW shade patterns. The proposed approach is compared to standard Sudoku and TCT configurations with other programmed techniques such as WOA, HHO, GWO, PSO, BBO, GSA, SCA, EO, and the original Puma. In addition, the success of the proposed method is evaluated by calculating the metrics of mismatch power loss, maximum efficiency improvement, efficiency improvement ratio, and peak-to-mean ratio.
The primary findings of the study are as follows:
• For SW, LW, and LT, the proposed IPuma increases the generated power by 36.72%, 28.03%, and 40.97%, respectively, surpassing the TCT configuration.
• Among the investigated methods, the proposed IPuma can achieve the lowest mismatch power losses, with values of 4.2072, 5.5856, and 5.0818 kW for SW, LW, and LT patterns, respectively.
• Among the examined algorithms, the proposed IPuma produces the best maximum efficiency improvement, with 26.86%, 21.89%, and 29.07% for the patterns under investigation.
The outcomes demonstrate the superiority and proficiency of the proposed method in terms of convergence rates and stability, as well as its suitability for dynamically rearranging the PV system and optimizing its energy harvesting. Future work will concentrate on making the proposed approach more scalable for bigger PV plants and more complex shading scenarios. Also, field-scale validation and hardware-in-the-loop testing on bigger systems will be crucial in the next work.
Acknowledgement: This research project was funded by the Deanship of Scientific Research and Libraries, Princess Nourah bint Abdulrahman University, through the Program of Research Project Funding After Publication, grant No. (RPFAP-82-1445).
Funding Statement: This research project was funded by the Deanship of Scientific Research and Libraries, Princess Nourah bint Abdulrahman University, through the Program of Research Project Funding After Publication, grant No. (RPFAP-82-1445).
Author Contributions: The authors confirm contribution to the paper as follows: study conception and design: Ahmed Fathy, Mohamed A. Mahdy, Essam H. Houssein; data collection: Nagwan Abdel Samee; analysis and interpretation of results: Ahmed Fathy, Mohamed A. Mahdy, Essam H. Houssein; draft manuscript preparation: Maali Alabdulhafith. All authors reviewed the results and approved the final version of the manuscript.
Availability of Data and Materials: This data used in the study are not available due to institutional policies and constraints on confidentiality.
Ethics Approval: Not applicable.
Conflicts of Interest: The authors declare no conflicts of interest to report regarding the present study.
References
1. Basavapattan R. Causes, effects and solutions for depletion of natural resources: theoretical perspective. Turk Online J Qual Inq. 2021;12(6):9274–86. [Google Scholar]
2. Bakhsh S, Zhang W, Ali K, Oláh J. Strategy towards sustainable energy transition: the effect of environmental governance, economic complexity and geopolitics. Energy Strategy Rev. 2024;52:101330. doi:10.1016/j.esr.2024.101330. [Google Scholar] [CrossRef]
3. Maka AOM, Alabid JM. Solar energy technology and its roles in sustainable development. Clean Energy. 2022;6(3):476–83. doi:10.1093/ce/zkac023. [Google Scholar] [CrossRef]
4. Panagoda LPSS, Sandeepa RAHT, Perera WAVT, Sandunika DMI, Siriwardhana SMGT, Alwis MKSD, et al. Advancements in photovoltaic (Pv) technology for solar energy generation. J Res Technol Eng. 2023;4(30):30–72. [Google Scholar]
5. Salamah T, Ramahi A, Alamara K, Juaidi A, Abdallah R, Ali Abdelkareem M, et al. Effect of dust and methods of cleaning on the performance of solar PV module for different climate regions: comprehensive review. Sci Total Environ. 2022;827:154050. doi:10.1016/j.scitotenv.2022.154050. [Google Scholar] [PubMed] [CrossRef]
6. Ahmad MF, Arif MSB, Jalil MF, Rizvi M, Bansal RC. Recent developments, challenges, and future scenarios in PV Array reconfiguration for mitigating partial shading. Appl Energy. 2025;390(5):125842. doi:10.1016/j.apenergy.2025.125842. [Google Scholar] [CrossRef]
7. Osmani K, Haddad A, Jaber H, Lemenand T, Castanier B, Ramadan M. Mitigating the effects of partial shading on PV system’s performance through PV array reconfiguration: a review. Therm Sci Eng Prog. 2022;31(12):101280. doi:10.1016/j.tsep.2022.101280. [Google Scholar] [CrossRef]
8. Pillai DS, Ram JP, Shabunko V, Kim YJ. A new shade dispersion technique compatible for symmetrical and unsymmetrical photovoltaic (PV) arrays. Energy. 2021;225(7):120241. doi:10.1016/j.energy.2021.120241. [Google Scholar] [CrossRef]
9. Solis-Cisneros HI, Sevilla-Camacho PY, Robles-Ocampo JB, Zuñiga-Reyes MA, Rodríguez-Resendíz J, Muñiz-Soria J, et al. A dynamic reconfiguration method based on neuro-fuzzy control algorithm for partially shaded PV arrays. Sustain Energy Technol Assess. 2022;52(131):102147. doi:10.1016/j.seta.2022.102147. [Google Scholar] [CrossRef]
10. Bouakkaz MS, Boukadoum A, Boudebbouz O, Fergani N, Boutasseta N, Attoui I, et al. Dynamic performance evaluation and improvement of PV energy generation systems using Moth Flame Optimization with combined fractional order PID and sliding mode controller. Sol Energy. 2020;199(3):411–24. doi:10.1016/j.solener.2020.02.055. [Google Scholar] [CrossRef]
11. Ghazi GA, Hasanien HM, Al-Ammar EA, Turky RA, Ko W, Park S, et al. African vulture optimization algorithm-based PI controllers for performance enhancement of hybrid renewable-energy systems. Sustainability. 2022;14(13):8172. doi:10.3390/su14138172. [Google Scholar] [CrossRef]
12. Sayed EA, Sameh MA, Attia MA, Badr AO. Enhancement of PV performance by using hybrid TLBO-EO optimization. Ain Shams Eng J. 2023;14(3):101892. doi:10.1016/j.asej.2022.101892. [Google Scholar] [CrossRef]
13. Yousri D, Fathy A, El-Saadany EF. Four square sudoku approach for alleviating shading effect on total-cross-tied PV array. Energy Convers Manag. 2022;269(2):116105. doi:10.1016/j.enconman.2022.116105. [Google Scholar] [CrossRef]
14. Sarang SA, Raza MA, Panhwar M, Khan M, Abbas G, Touti E, et al. Maximizing solar power generation through conventional and digital MPPT techniques: a comparative analysis. Sci Rep. 2024;14(1):8944. doi:10.1038/s41598-024-59776-z. [Google Scholar] [PubMed] [CrossRef]
15. Aljafari B, Satpathy PR, Madeti SRK, Vishnuram P, Thanikanti SB. Reliability enhancement of photovoltaic systems under partial shading through a two-step module placement approach. Energies. 2022;15(20):7766. doi:10.3390/en15207766. [Google Scholar] [CrossRef]
16. Sai Krishna G, Moger T. Enhanced power generation for total-cross-tied PV array using simulated annealing under partial shading conditions. IET Renew Power Gener. 2020;14(17):3457–68. doi:10.1049/iet-rpg.2020.0480. [Google Scholar] [CrossRef]
17. Jiang C. African vulture optimized RNN algorithm maximum power point tracking (MPPT) controller for photovoltaic (PV) system. Meas Sens. 2024;36(3):101392. doi:10.1016/j.measen.2024.101392. [Google Scholar] [CrossRef]
18. Zhang X, Li C, Li Z, Yin X, Yang B, Gan L, et al. Optimal mileage-based PV array reconfiguration using swarm reinforcement learning. Energy Convers Manag. 2021;232(2):113892. doi:10.1016/j.enconman.2021.113892. [Google Scholar] [CrossRef]
19. Zhang X, Yu T, Ma X, Guo L. An efficient multi-agent negotiation algorithm for multi-period photovoltaic array reconfiguration with a hydrogen energy storage system. Energy Convers Manag. 2022;256(5):115376. doi:10.1016/j.enconman.2022.115376. [Google Scholar] [CrossRef]
20. Abdel-Basset M, Abdel-Fatah L, Sangaiah AK. Metaheuristic algorithms: a comprehensive review. In: Computational intelligence for multimedia big data on the cloud with engineering applications. Amsterdam, The Netherlands: Elsevier; 2018. p. 185–231. doi:10.1016/b978-0-12-813314-9.00010-4. [Google Scholar] [CrossRef]
21. Zaki MM, Chen S, Zhang J, Feng F, Qi L, Mahdy MA, et al. Optimized weighted ensemble approach for enhancing gold mineralization prediction. Appl Sci. 2023;13(13):7622. doi:10.3390/app13137622. [Google Scholar] [CrossRef]
22. Houssein EH, Nassef AM, Fathy A, Mahdy MA, Rezk H. Modified search and rescue optimization algorithm for identifying the optimal parameters of high efficiency triple-junction solar cell/module. Int J Energy Res. 2022;46(10):13961–85. doi:10.1002/er.8114. [Google Scholar] [CrossRef]
23. Houssein EH, Mahdy MA, Shebl D, Mohamed WM. A survey of metaheuristic algorithms for solving optimization problems. In: Metaheuristics in machine learning: theory and applications. Cham, Switzerland: Springer International Publishing; 2021. p. 515–43. doi:10.1007/978-3-030-70542-8_21. [Google Scholar] [CrossRef]
24. Osaba E, Villar-Rodriguez E, Del Ser J, Nebro AJ, Molina D, LaTorre A, et al. A tutorial on the design, experimentation and application of metaheuristic algorithms to real-World optimization problems. Swarm Evol Comput. 2021;64(4):100888. doi:10.1016/j.swevo.2021.100888. [Google Scholar] [CrossRef]
25. Houssein EH, Mahdy MA, Shebl D, Manzoor A, Sarkar R, Mohamed WM. An efficient slime mould algorithm for solving multi-objective optimization problems. Expert Syst Appl. 2022;187(2):115870. doi:10.1016/j.eswa.2021.115870. [Google Scholar] [CrossRef]
26. Kumar BV, Oliva D, Suganthan PN. Differential evolution: from theory to practice. Vol. 1009. Berlin/Heidelberg, Germany: Springer; 2022. [Google Scholar]
27. Houssein EH, Çelik E, Mahdy MA, Ghoniem RM. Self-adaptive Equilibrium Optimizer for solving global, combinatorial, engineering, and Multi-Objective problems. Expert Syst Appl. 2022;195(3):116552. doi:10.1016/j.eswa.2022.116552. [Google Scholar] [CrossRef]
28. Sarhani M, Voß S, Jovanovic R. Initialization of metaheuristics: comprehensive review, critical analysis, and research directions. Int Trans Operational Res. 2023;30(6):3361–97. doi:10.1111/itor.13237. [Google Scholar] [CrossRef]
29. Abdelhamid M, Houssein EH, Mahdy MA, Selim A, Kamel S. An improved seagull optimization algorithm for optimal coordination of distance and directional over-current relays. Expert Syst Appl. 2022;200(5):116931. doi:10.1016/j.eswa.2022.116931. [Google Scholar] [CrossRef]
30. Roberts MK, Thangavel J, Aldawsari H. An improved dual-phased meta-heuristic optimization-based framework for energy efficient cluster-based routing in wireless sensor networks. Alex Eng J. 2024;101(1):306–17. doi:10.1016/j.aej.2024.05.078. [Google Scholar] [CrossRef]
31. Houssein EH, Mahdy MA, Eldin MG, Shebl D, Mohamed WM, Abdel-Aty M. Optimizing quantum cloning circuit parameters based on adaptive guided differential evolution algorithm. J Adv Res. 2021;29(1):147–57. doi:10.1016/j.jare.2020.10.001. [Google Scholar] [PubMed] [CrossRef]
32. Abdollahzadeh B, Khodadadi N, Barshandeh S, Trojovský P, Gharehchopogh FS, El-kenawy EM, et al. Puma optimizer (POa novel metaheuristic optimization algorithm and its application in machine learning. Clust Comput. 2024;27(4):5235–83. doi:10.1007/s10586-023-04221-5. [Google Scholar] [CrossRef]
33. Kmich M, El Ghouate N, Bencharqui A, Karmouni H, Sayyouri M, Askar SS, et al. Chaotic Puma Optimizer Algorithm for controlling wheeled mobile robots. Eng Sci Technol Int J. 2025;63(1):101982. doi:10.1016/j.jestch.2025.101982. [Google Scholar] [CrossRef]
34. Maurya P, Tiwari P, Pratap A. Puma optimizer technique for optimal planning of different types of distributed generation units in radial distribution network considering different load models. Electr Eng. 2025;107(3):2777–828. doi:10.1007/s00202-024-02631-1. [Google Scholar] [CrossRef]
35. Jiang L, Zhang Z, Lu L, Shang X, Wang W. Nonparametric modelling of ship dynamics using Puma optimizer algorithm-optimized twin support vector regression. J Mar Sci Eng. 2024;12(5):754. doi:10.3390/jmse12050754. [Google Scholar] [CrossRef]
36. Zaki DA, Hasanien HM, Alharbi M, Sun C. Precise three-diode photovoltaic model for photovoltaic modules based on Puma optimizer. Ain Shams Eng J. 2024;15(12):103170. doi:10.1016/j.asej.2024.103170. [Google Scholar] [CrossRef]
37. Al Faiya B, Moustafa G, Alnami H, Ginidi AR, Shaheen AM. Puma algorithm for environmental emissions and generation costs minimization dispatch in power systems. Sci Afr. 2025;27(11):e02547. doi:10.1016/j.sciaf.2025.e02547. [Google Scholar] [CrossRef]
38. Liang JJ, Qu B, Gong D, Yue C. Problem definitions and evaluation criteria for the CEC, 2020 special session on multimodal multiobjective optimization. Comput Intell Lab Zhengzhou Univ. 2019:353–70. doi:10.13140/RG.2.2.31746.02247 [Google Scholar] [CrossRef]
39. Mirjalili S, Lewis A. The whale optimization algorithm. Adv Eng Softw. 2016;95(12):51–67. doi:10.1016/j.advengsoft.2016.01.008. [Google Scholar] [CrossRef]
40. Heidari AA, Mirjalili S, Faris H, Aljarah I, Mafarja M, Chen H. Harris Hawks optimization: algorithm and applications. Future Gener Comput Syst. 2019;97:849–72. doi:10.1016/j.future.2019.02.028. [Google Scholar] [CrossRef]
41. Mirjalili S, Mirjalili SM, Lewis A. Grey wolf optimizer. Adv Eng Softw. 2014;69:46–61. doi:10.1016/j.advengsoft.2013.12.007. [Google Scholar] [CrossRef]
42. MHS’95. Proceedings of the sixth international symposium on micro machine and human science. In: MHS’95. Proceedings of the Sixth International Symposium on Micro Machine and Human Science; 1995 Oct 4–6; Nagoya, Japan. IEEE; 2002. 3 p. doi:10.1109/MHS.1995.494249. [Google Scholar] [CrossRef]
43. Simon D. Biogeography-based optimization. IEEE Trans Evol Comput. 2008;12(6):702–13. doi:10.1109/tevc.2008.919004. [Google Scholar] [CrossRef]
44. Rashedi E, Nezamabadi-pour H, Saryazdi S. GSA: a gravitational search algorithm. Inf Sci. 2009;179(13):2232–48. doi:10.1016/j.ins.2009.03.004. [Google Scholar] [CrossRef]
45. Mirjalili S. SCA: a Sine Cosine Algorithm for solving optimization problems. Knowl Based Syst. 2016;96(63):120–33. doi:10.1016/j.knosys.2015.12.022. [Google Scholar] [CrossRef]
46. Faramarzi A, Heidarinejad M, Stephens B, Mirjalili S. Equilibrium optimizer: a novel optimization algorithm. Knowl Based Syst. 2020;191:105190. doi:10.1016/j.knosys.2019.105190. [Google Scholar] [CrossRef]
47. Fathy A. Butterfly optimization algorithm based methodology for enhancing the shaded photovoltaic array extracted power via reconfiguration process. Energy Convers Manag. 2020;220(1):113115. doi:10.1016/j.enconman.2020.113115. [Google Scholar] [CrossRef]
48. Fathy A. Recent meta-heuristic grasshopper optimization algorithm for optimal reconfiguration of partially shaded PV array. Sol Energy. 2018;171(99):638–51. doi:10.1016/j.solener.2018.07.014. [Google Scholar] [CrossRef]
49. Sowmya R, Premkumar M, Jangir P. Newton-raphson-based optimizer: a new population-based metaheuristic algorithm for continuous optimization problems. Eng Appl Artif Intell. 2024;128:107532. doi:10.1016/j.engappai.2023.107532. [Google Scholar] [CrossRef]
50. Arcuri A, Fraser G. Parameter tuning or default values? An empirical investigation in search-based software engineering. Empir Softw Eng. 2013;18(3):594–623. doi:10.1007/s10664-013-9249-9. [Google Scholar] [CrossRef]
51. Wilcoxon F. Individual comparisons by ranking methods. In: Breakthroughs in statistics. New York, NY: Springer New York; 1992. p. 196–202. doi:10.1007/978-1-4612-4380-9_16. [Google Scholar] [CrossRef]
52. Alanazi M, Fathy A, Yousri D, Rezk H. Optimal reconfiguration of shaded PV based system using African vultures optimization approach. Alex Eng J. 2022;61(12):12159–85. doi:10.1016/j.aej.2022.06.009. [Google Scholar] [CrossRef]
53. Rani BI, Ilango GS, Nagamani C. Enhanced power generation from PV array under partial shading conditions by shade dispersion using su do ku configuration. IEEE Trans Sustain Energy. 2013;4(3):594–601. doi:10.1109/TSTE.2012.2230033. [Google Scholar] [CrossRef]
54. Kumar A, Rizwan M, Nangia U, Alaraj M. Grey wolf optimizer-based array reconfiguration to enhance power production from solar photovoltaic plants under different scenarios. Sustainability. 2021;13(24):13627. doi:10.3390/su132413627. [Google Scholar] [CrossRef]
55. Wang J, Li Y, Yang B, Jiang L. Multi-optimized reconfiguration of hybrid photovoltaic-thermoelectric generation (PV-TEG) system for performance enhancement. Energy Convers Manag. 2024;307(1):118373. doi:10.1016/j.enconman.2024.118373. [Google Scholar] [CrossRef]
Cite This Article
Copyright © 2026 The Author(s). Published by Tech Science Press.This work is licensed under a Creative Commons Attribution 4.0 International License , which permits unrestricted use, distribution, and reproduction in any medium, provided the original work is properly cited.


Submit a Paper
Propose a Special lssue
View Full Text
Download PDF
Downloads
Citation Tools